
图中是四翼小盗龙骨骼化石,目前科学家在这种乌鸦大小的恐龙骨骼样本中发现世界上最早的皮屑化石。

这是1.25亿年前恐龙皮肤上的皮屑片。恐龙皮屑化石表明,鸟类和恐龙首次进化形成羽毛的时间是数千万年前,随着羽毛的出现,它们的皮肤也开始出现皮屑,适应羽毛的生长。
(化石网报道)据新浪科技(叶倾城):国外媒体报道,小盗龙是生活在1.2亿年前食肉性、类似乌鸦的恐龙物种,它们的四肢都长有翅膀,身体覆盖彩虹光泽黑色羽毛,喜好整个吞食鸟类,简而言之,它们是一种非常可怕的恐龙。目前,科学家发现小盗龙的皮屑化石,将有助于我们更深入了解恐龙物种。
5月25日发表在《自然通讯》杂志的一篇最新研究报告指出,并非只有人类存在皮屑,科学家在3种羽毛恐龙骨骼上发现微小的片状皮肤化石,这3种羽毛恐龙物种是:北漂龙(Beipiaosaurus)、中国鸟龙(Sinornithosaurus)和小盗龙(Microraptor),此外他们在一种叫做孔子鸟(Confuciusornis)的原始鸟类身体上也发现类似的皮屑。
该研究发现,这4种生物的历史可追溯至侏罗纪时期(大约5600万至2亿年前),它们都长有皮屑。研究报告第一作者、爱尔兰科克大学古生物学家玛丽娅·麦克纳马拉(Maria McNamara)说:“这是唯一已知的皮屑化石,到目前为止,我们还没有证据表明恐龙是如何蜕皮的。”
在这4种恐龙化石标本中,小盗龙化石的历史可追溯至1.25亿年前,这是迄今最早的皮屑证据。
在这项研究中,麦克纳马拉和她的同事从北京古脊椎动物和古人类研究所借取了4种化石,研究小组提取远古生物身体密集羽毛软组织样本中的小片结构,之后在电子显微镜下扫描,再与现代鸟类的类似薄片进行比较。
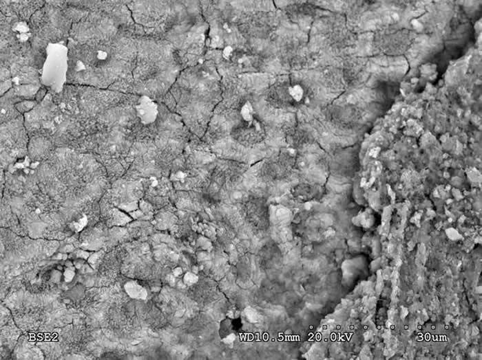
像人类皮屑一样,这些皮肤碎片化石包含叫做角质细胞的硬细胞,并结合一种叫做角蛋白的蛋白质。研究人员指出,这种皮屑化石与现代鸟类几乎完全相同,表明恐龙是脱离鳞片状皮肤,而不像现代蛇或者蜥蜴那样连续不断地脱落。
玛丽娅表示,恐龙皮屑揭晓了地球历史上神秘时期的关键细节,当时正值动物首次开始长羽毛。皮屑化石表明,鸟类和恐龙首次进化形成羽毛的时间是数千万年前,随着羽毛的出现,它们的皮肤也开始出现皮屑,适应羽毛的生长。
玛丽娅说:“在这一时期(侏罗纪时期),爆发性出现了羽毛恐龙和鸟类进化,我们非常兴奋地发现早期鸟类和恐龙皮肤进化的证据,这些特征能够适应羽毛生长。”
古老皮屑与现代皮屑之间一个至关重要的差异在于:在现今鸟类中,角质细胞松散地分布在大量细胞内脂肪之中,这有助于鸟类飞行时体温升高时有效降温。恐龙皮屑更密集地布满了角质细胞,这表明恐龙皮肤的降温需求较少,而且小盗龙从未适应飞行。下步将进行深入研究(以及搜寻大量皮屑证据),证实该研究结果的真实性。