
德国发现史前爬行动物新种Vellbergia bartholomaei 增进对鳞龙型类早期演化的理解
(化石网报道)据科技日报(张梦然):英国自然科研旗下《科学报告》20日发表一篇古生物学论文,科学家报告了德国发现的一个史前爬行动物新种。该发现填补了早期演化史上的空白,而其解剖学特征将增进我们对鳞龙型类早期演化的理解。
鳞龙形下纲是最大、多样性最丰富的四足动物谱系之一,有超过1.05万个物种。作为现代蜥蜴、蛇和爬行动物楔齿蜥属的祖先,鳞龙形下纲的样本只在一些三叠纪遗址发现过,而对它们早期演化的大部分认知尚处于空白。
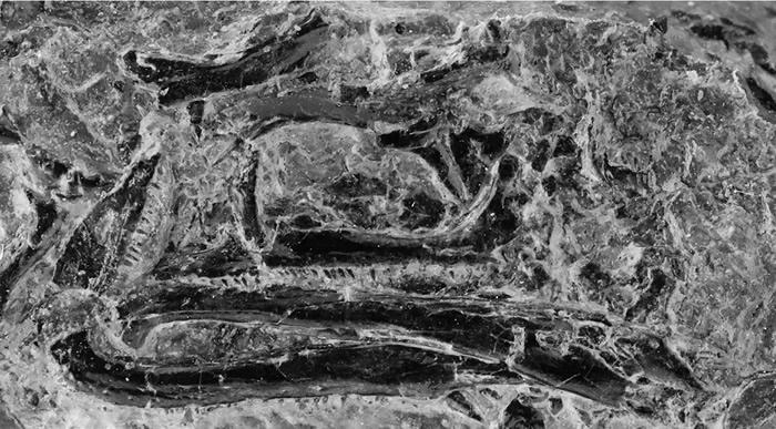
此次,德国斯图加特自然博物馆科学家卡波利拉·索博拉尔及其同事,在德国费尔贝格的中三叠纪(2.47亿—2.37亿年历史)沉积中发现了这个小化石。分析显示,该化石样本是一种此前未知的早期鳞龙形下纲物种。这一物种被命名为“V.bartholomaei”,作为费尔贝格遗址挖掘到的最小样本之一,它可能是该处采集到的第一个幼年动物化石。
研究人员认为,名为“V.bartholomaei”的物种与鳞龙形下纲的其他种不同,它独有的特征包括相对下颌来说又窄又薄又短的牙齿;但它具有现代蜥蜴和楔齿蜥祖先的一系列特征。研究发现,这一物种可能是这两个谱系的共同祖先,增进了我们对早期爬行动物演化的认识。
除了这个化石,其他证据也显示德国费尔贝格是理解早期鳞龙形下纲演化的重要遗址。由于早三叠纪的化石记录非常有限,中三叠纪的样本具有根本性的重要意义,不仅可以理解脊椎动物如何从二叠—三叠纪大灭绝(约2.52亿年前)中恢复,还能理解它们是如何分化成现代物种的。
相关报道:史前小蜥蜴揭示爬行动物演化
(化石网报道)据中国科学报(晋楠):《科学报告》日前发表一篇论文介绍了德国发现的一个史前爬行动物新种。这一物种名为Vellbergia bartholomaei,其解剖学特征将增进人们对鳞龙形下纲早期演化的理解。
鳞龙形下纲是最大、多样性最丰富的四足动物谱系之一,有超过1.05万个物种。作为现代蜥蜴、蛇和爬行动物楔齿蜥属的祖先,鳞龙形下纲的样本只在一些三叠纪遗址中发现过,而对它们早期演化的大部分认知尚处于空白。斯图加特自然博物馆的Gabriela Sobral和同事在费尔贝格的中三叠纪(2.47亿—2.37亿年前)沉积中发现了这个小化石。
分析显示,该化石样本是一种此前未知的早期鳞龙形下纲物种。作为在费尔贝格遗址挖掘到的最小样本之一,它可能是该处采集到的第一个幼年动物化石。V. bartholomaei与鳞龙形下纲的其他物种不同,它独有的特征包括相对下颌来说又窄又薄又短的牙齿;但它具有现代蜥蜴和楔齿蜥祖先的一系列特征。
由于早三叠纪的化石记录非常有限,中三叠纪的样本具有根本性的重要意义,不仅可以理解脊椎动物如何从二叠—三叠纪大灭绝(约2.52亿年前)中恢复,还能理解它们是如何分化成现代物种的。
相关论文信息:https://doi.org/10.1038/s41598-020-58883-x